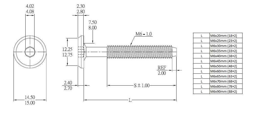
Fifteen Screw, M6x85mm (83+2), BZP, Hex 4mm, Conical

Item number: 12.01.076-5

DOWNLOAD