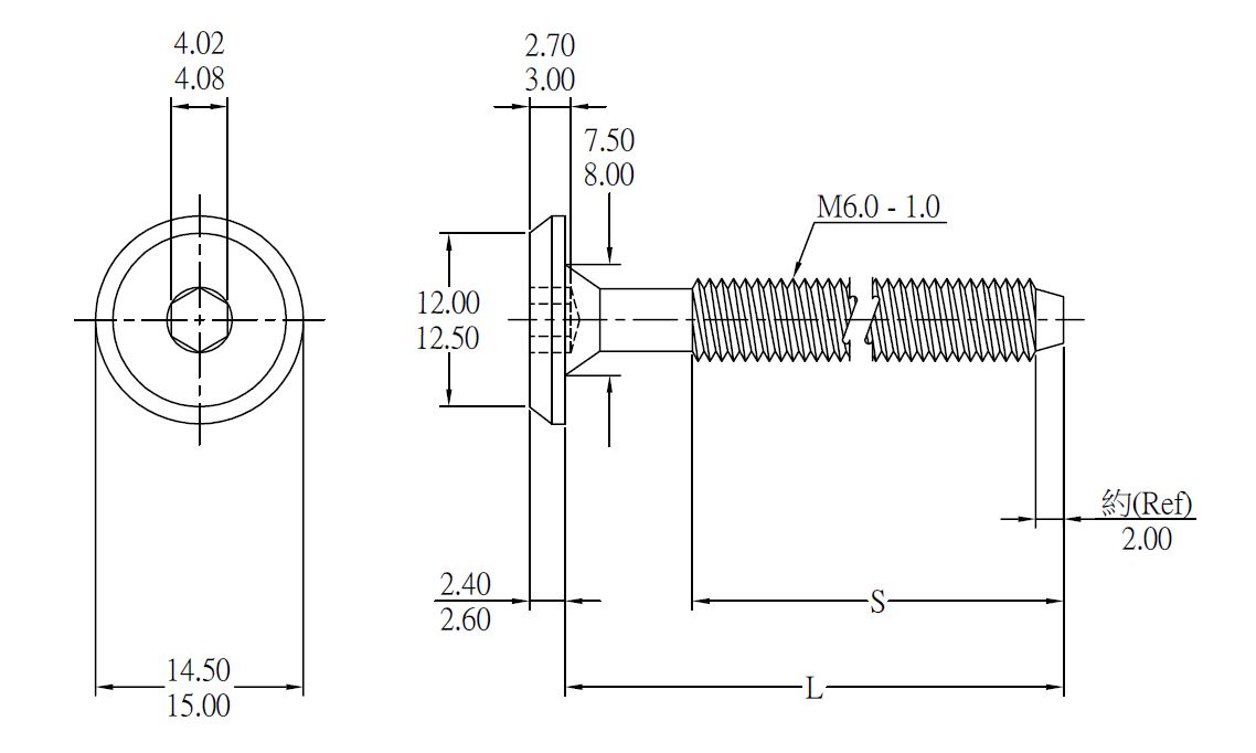
Fifteen Screw, M6x60mm (58+2), YZP, Conical (S=49-51mm)

Item number: 12.01.047-0