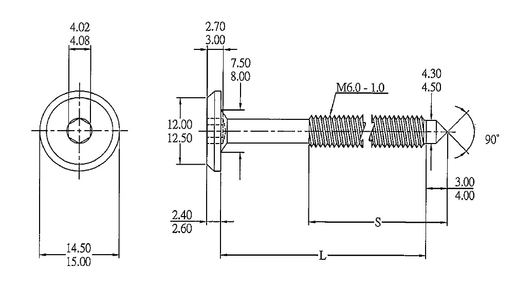
Fifteen Screw, M6x50mm, Brass plated, Pointed

Item number: 12.01.035-2