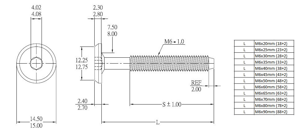
Fifteen Screw, M6x50mm (48+2), YZP, Conical

Item number: 12.01.041-2