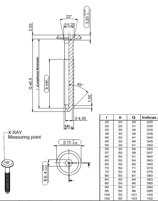
Fifteen Screw, M6x40mm (38+3), YZP, Hex 4mm, Pointed

Item number: 12.01.014-0