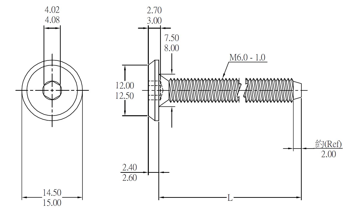
Fifteen Screw, M6x25mm, Black Oxydized, Conical, Full Thread

Item number: 12.00.903-0