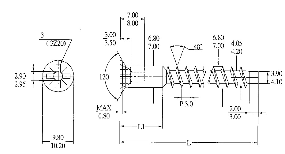
Assembla Screw, CSK, PZD, ø7,0 x 50mm, Steel BZP, W/Hole For Cover Cap

Item number: 12.17.050-2