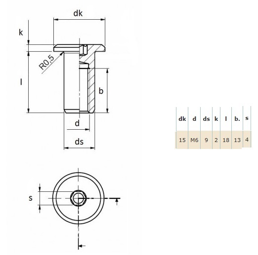
Steel Head F-563, 4mm Hex,M6,Head ø15x2mm,Shaft ø9x18mm,YZP, 12 Micron

Item number: 12.09.800-0