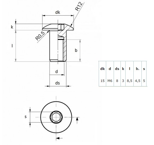
Steel Head D637,5mm Hex,M6,Head ø15x3,5mm,Shaft ø8x8,5mm,YZP

Item number: 12.09.815-0