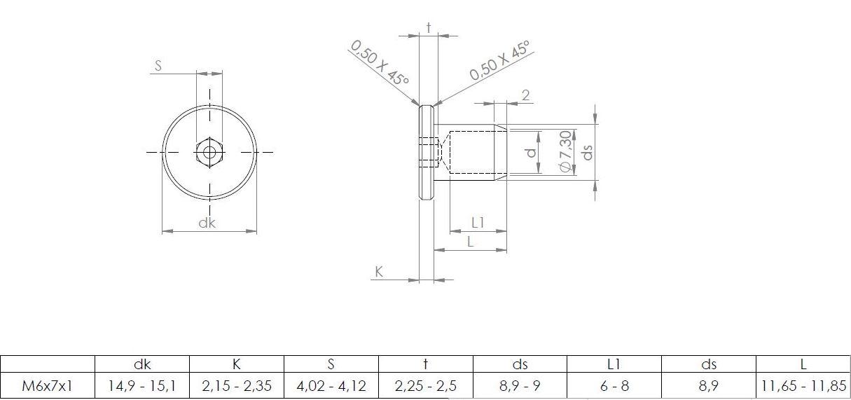
Combifix Head No. 1012, 4mm Hex Hole, M6, Flat Head, SS-304

Item number: 12.09.175-0