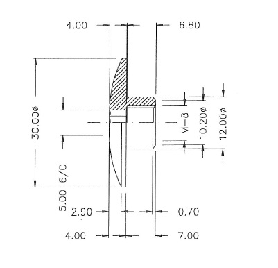
Combifix Head No. 1062, 5mm Hex, M8, Dome Head, Brass Nat.

Item number: 12.09.610-2