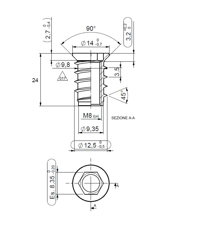
Screw-In Bushing M-824, M8x24mm, Steel, BZP, Hex 8mm

Item number: 12.10.292-0