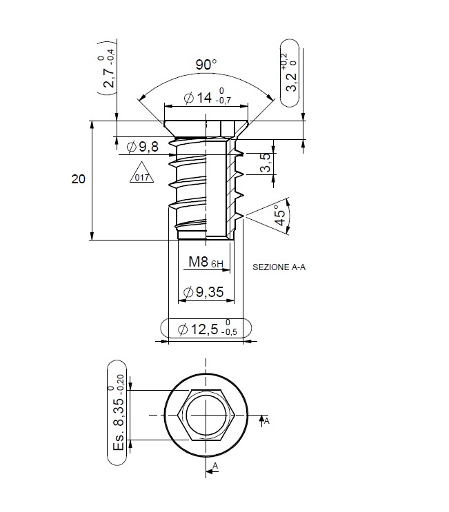
Screw-In Bushing M-820, M8x20mm, Steel, BZP, Hex 8mm

Item number: 12.10.290-0