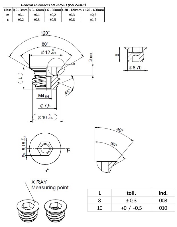
Screw-In Bushing M-410, M4x10mm, Steel, BZP, Hex 5mm, Low Profile, Ideal for HPL Plates

Item number: 12.10.251-0