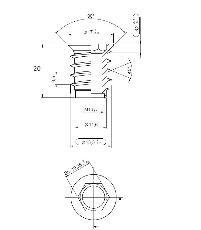
Screw-In Bushing M-1020, M10x20mm, Steel, BZP, Hex 10mm

Item number: 12.10.293-0