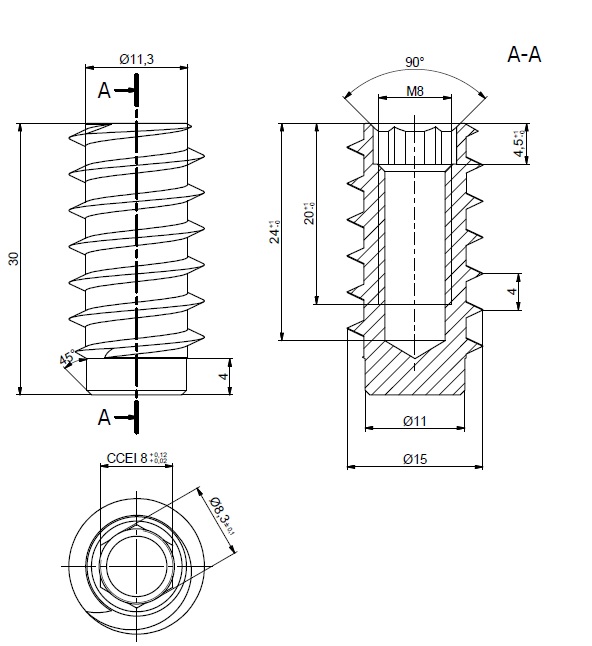
Screw-In Bushing BL-830-SK, M8,Hex 8mm,Drill ø11,5x30mm,YZP, Steel Material

Item number: 12.10.176-0