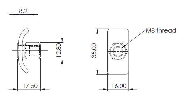
Metal Washer M8, Yellow Zinc Plated

Item number: 11.04.242-1