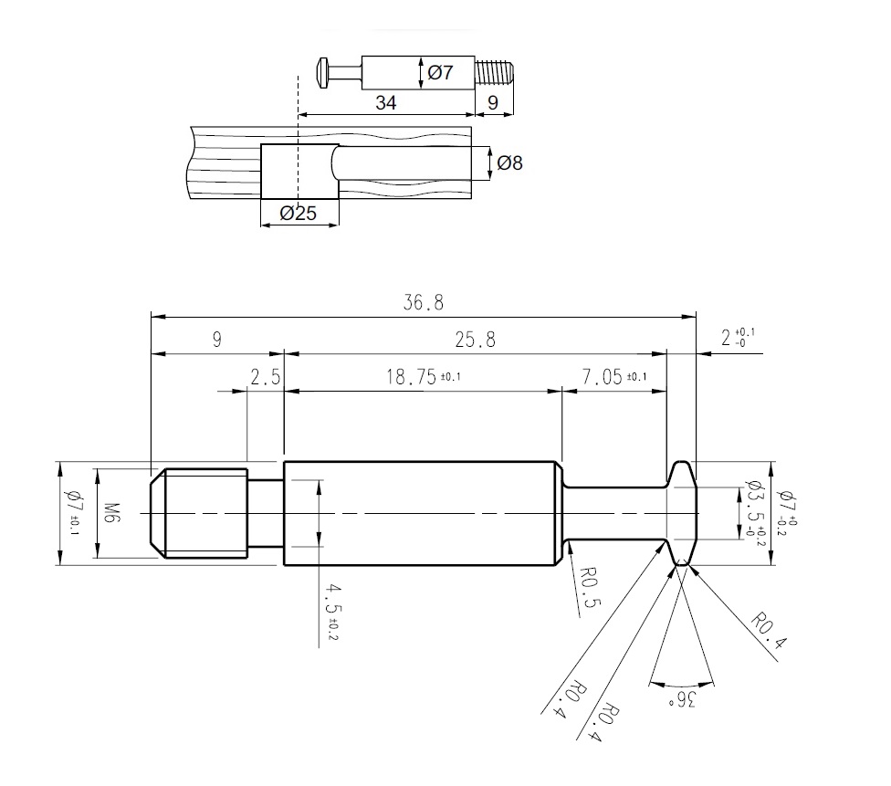
Medial Fix Dowel Steel Zinc Plated, 34mm, M6

Item number: 11.03.380-0