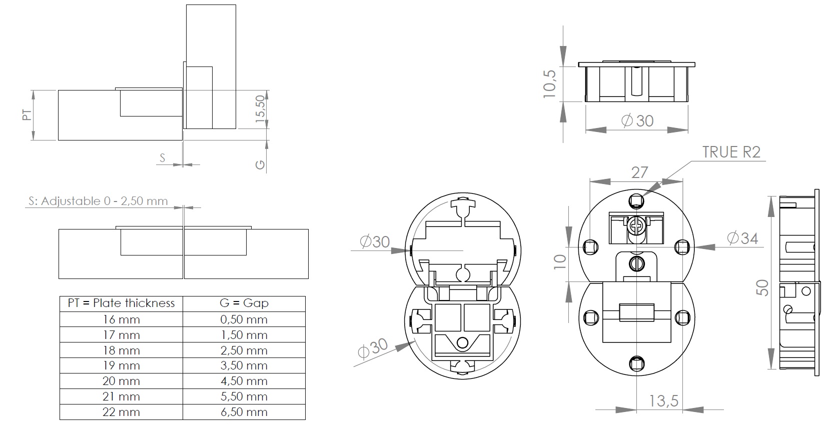
Flap Hinge ø30x10mm, Zamak, Antique Bronze, Detachable

Item number: 15.09.077-0