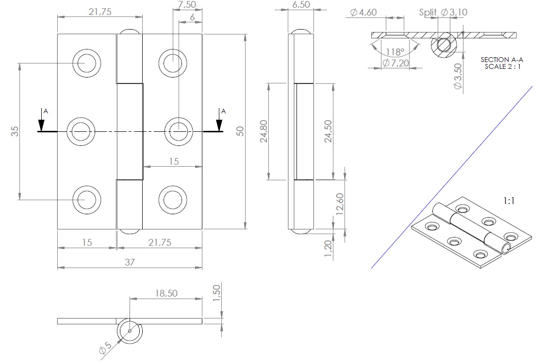
Butt Hinge, 50x37x1.5mm, Steel, BZP, 6 CSK Holes

Item number: 15.13.085-1