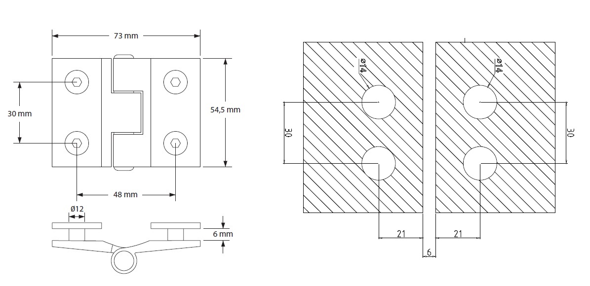
Glass Door Hinge "Sofia", Glass/Glass, 180DG, 6mm Glass Thickness, Drilling Required ø14mm, Rectangular Shape, Brass Material

Item number: 15.23.050-0