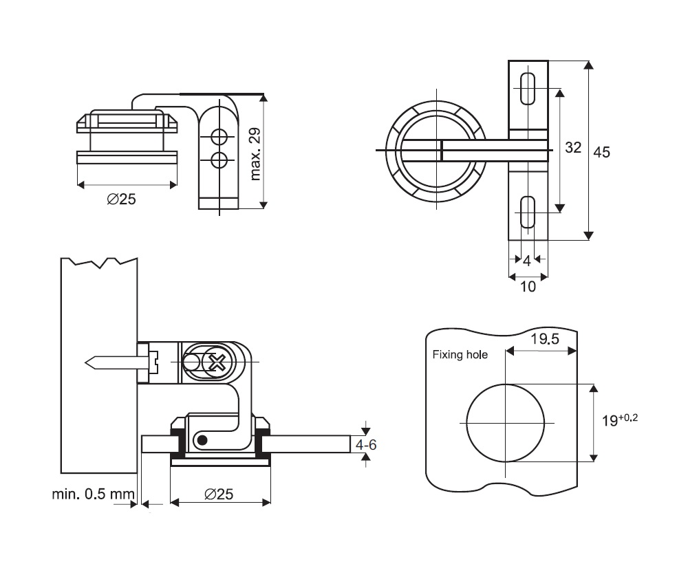
Glass Door Hinge "Nice", CPL, W/Catch, Drill 19mm

Item number: 15.06.450-0