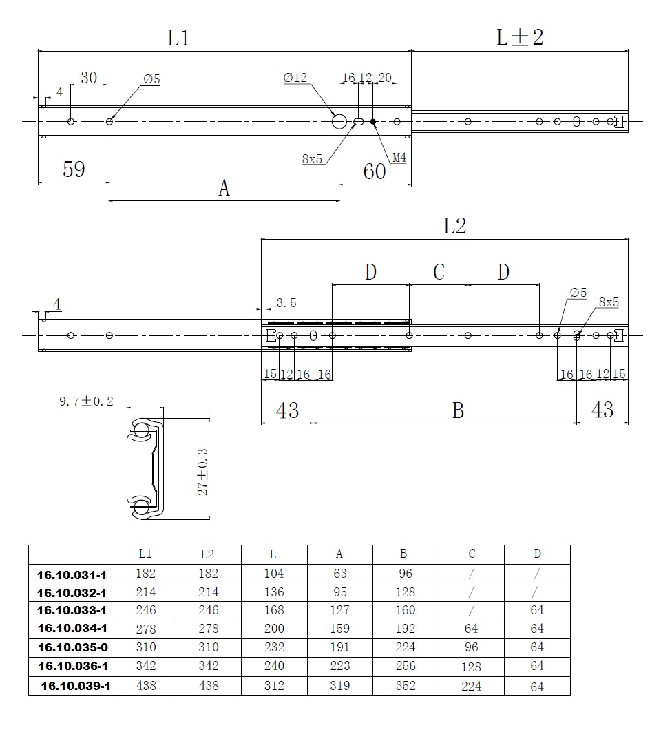
Drawer Slide 8827, 484mm Drawer, 1,0mm (278/278), ZP

Item number: 16.10.034-1