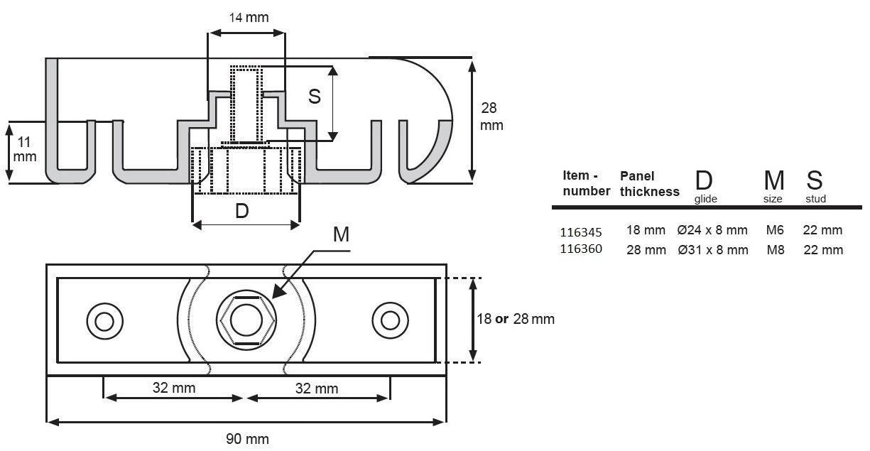
Panel Shoe W/Adjust. Glide ø24mm,BLK, Stud M6x22mm, F/18mm Panel

Item number: 10.16.345-1

DOWNLOAD