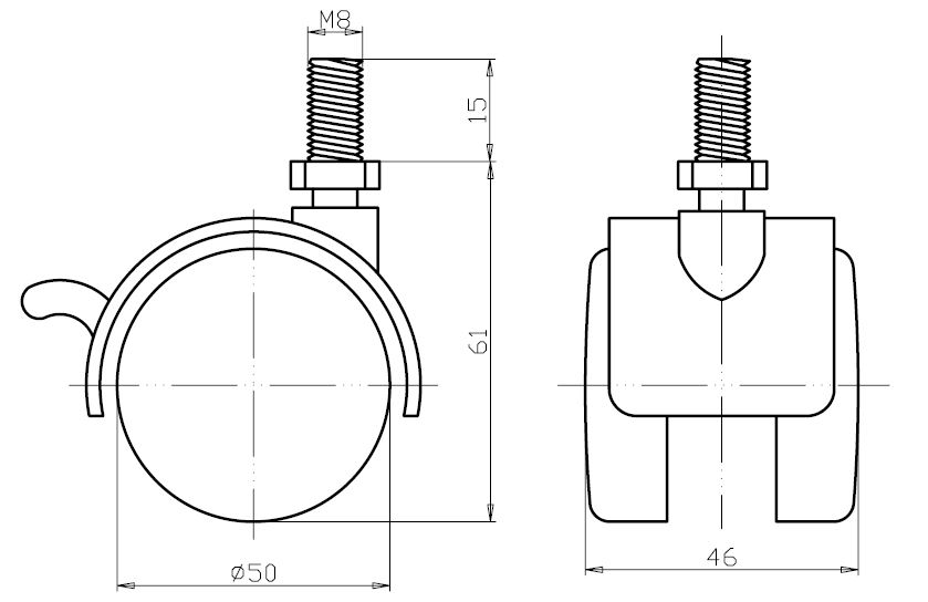
Twin Wheel Castor ø50mm, Black, W/Brake, Stem M8 x 15mm, MH: 60mm

Item number: 08.04.110-1