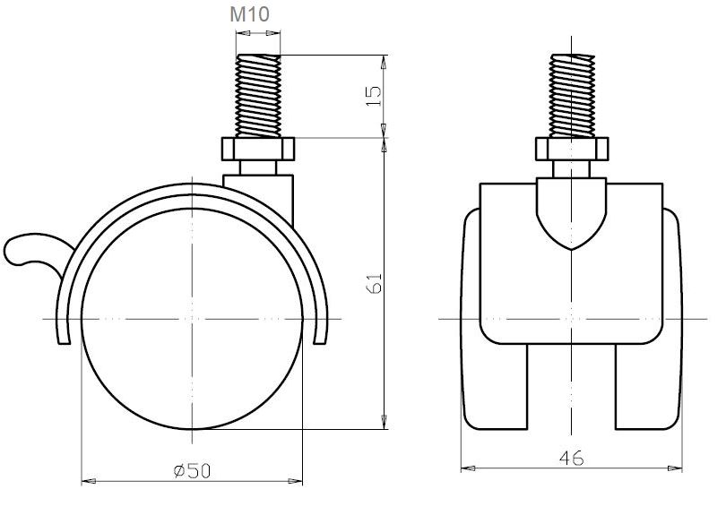
Twin Wheel Castor ø50mm, Black, W/Brake, Stem M10 x 15mm, Mounting Height: 60mm

Item number: 08.04.118-1