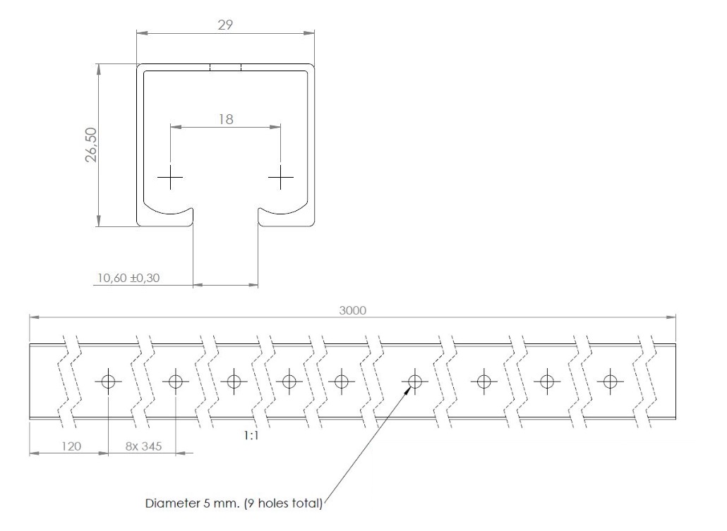
Alu Profile-Milled, 29x26,5x3000mm, F/Sliding System L1001 W/9 Screw Holes ø5mm

Item number: 28.25.206-0