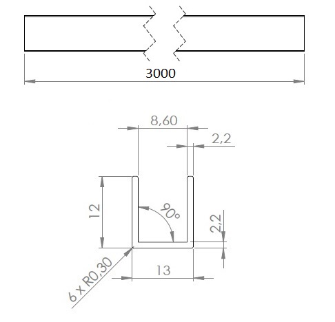
Alu. U-Channel, F/8mm Glass, Pol. Alu, 3,0 Mtr, 2,2x12x13mm (T/H/W)

Item number: 15.22.507-9