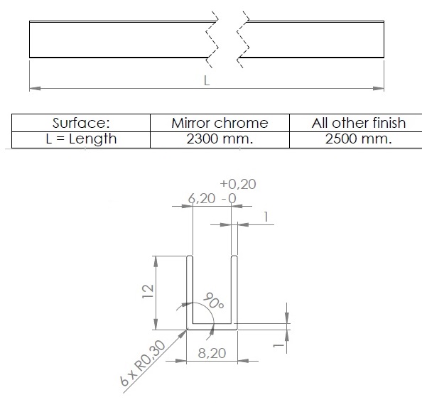
Alu. U-Channel, F/6mm Glass, Polished Alu, 2,5Mtr,1x12x8,2mm (T/H/W)

Item number: 15.26.500-0