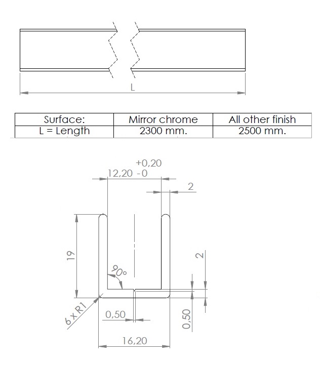
Alu. U-Channel,F/12mm Glass, Brushed Alu,2,5 Mtr,2x19x16,2mm

Item number: 15.22.516-2