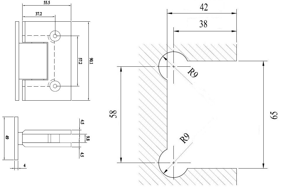
# Shower Hinge "Buh" Wall/Glass, CPL, No Adjustment, Centre Back Plate, 6-10mm Glass Thickness

Item number: 15.23.871-0