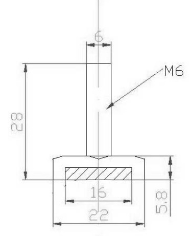
Magnet Screw F/Sauna, M6x28mm, W/22mm Hex Head, NPL

Item number: 15.25.009-1