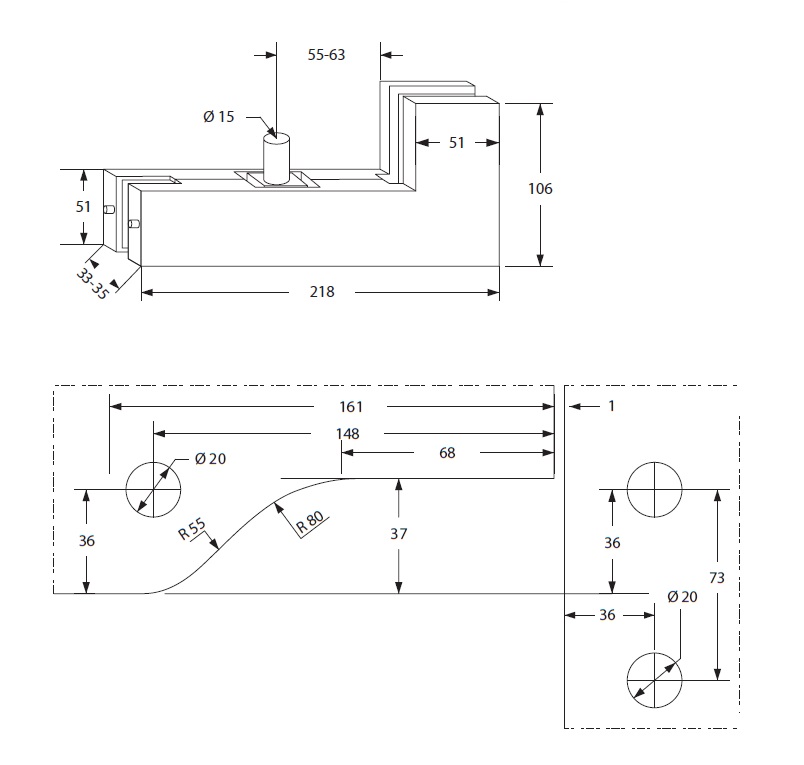
Cover Plates Black Finish, F/"Zip" Body 17.87.353-0 (PF40)

Item number: 17.87.562-4

DOWNLOAD