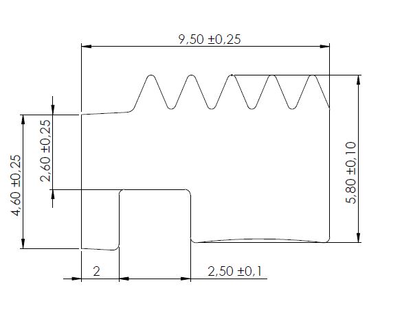
PVC Profile F/Zapp Clip Profile,Transp. 8mm Glass,52 Mtr,W/ W/Double Sided Adhesive Tape

Item number: 15.22.408-0