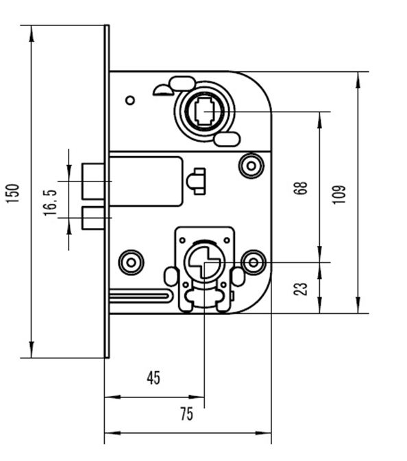
Cylinder Lock Case 2016 45mm Backset, Chrome Plated, W/Rota- tional Latch & Deadbolt - 90DG Turn, Body:109x75mm, Front Plate 20x150mm, Distance between Axes: 68mm, For Scandinavian Cylinders, F/Interior Doors

Item number: 14.60.063-0