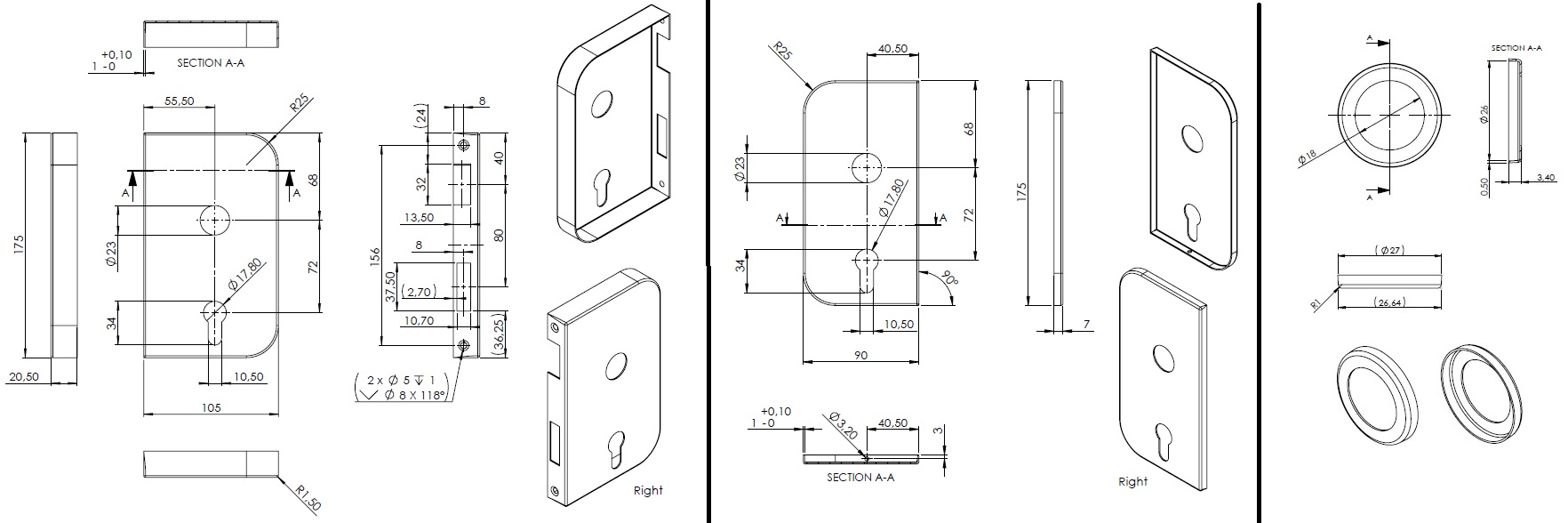
Cover Plates "Robin",W/Handle & Cylinder Hole, Right, Black Finish

Item number: 14.60.658-6