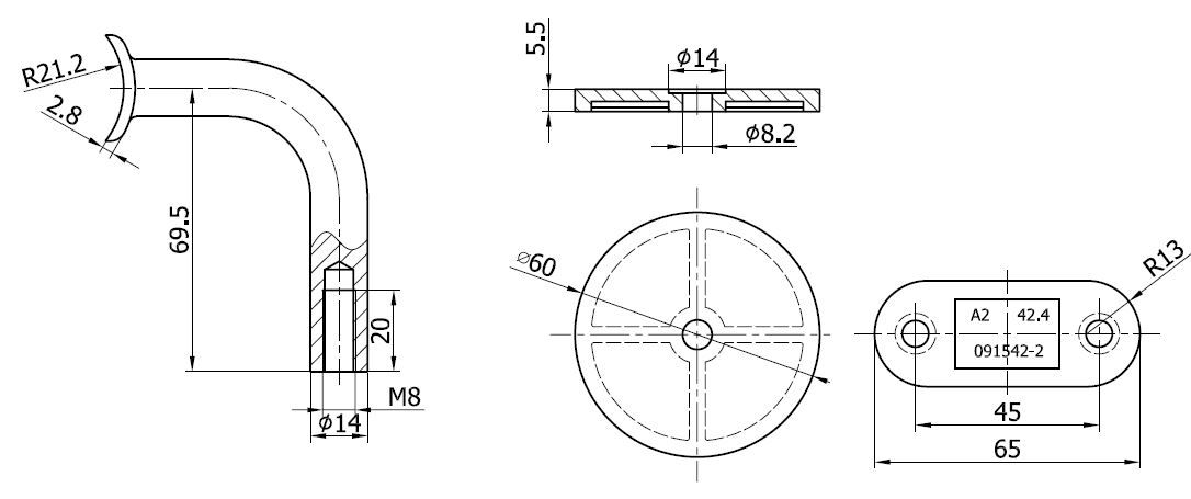
Hand Rail Support SS304+Cap-Brushed, ø42,4mm (ø60x50x74mm) M8 Thread

Item number: 22.10.342-0