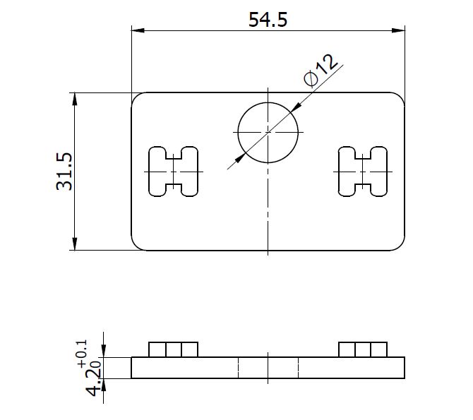
Cushion "K" F/ZA Clamp "Square BT", Glass 15mm (22.10.730), Black EPDM

Item number: 22.10.698-0