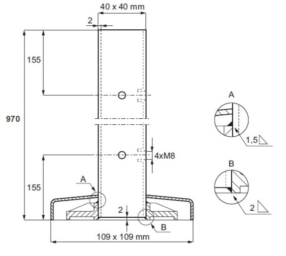
SQ 90DG Baluster SS316 Brush,40x40x2x970mm,4 Holes 2 Sides

Item number: 22.10.445-9