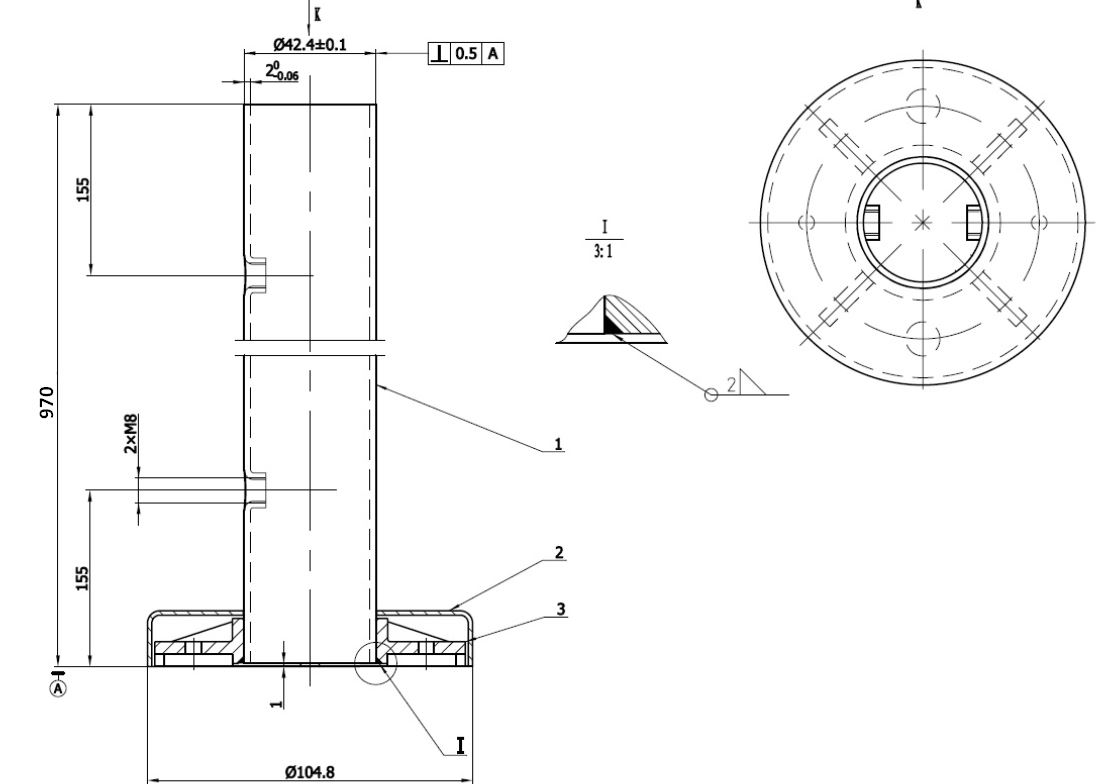
End Baluster SS316 Brushed,ø42,4x2x970mm, 2 Holes One Side

Item number: 22.10.411-9