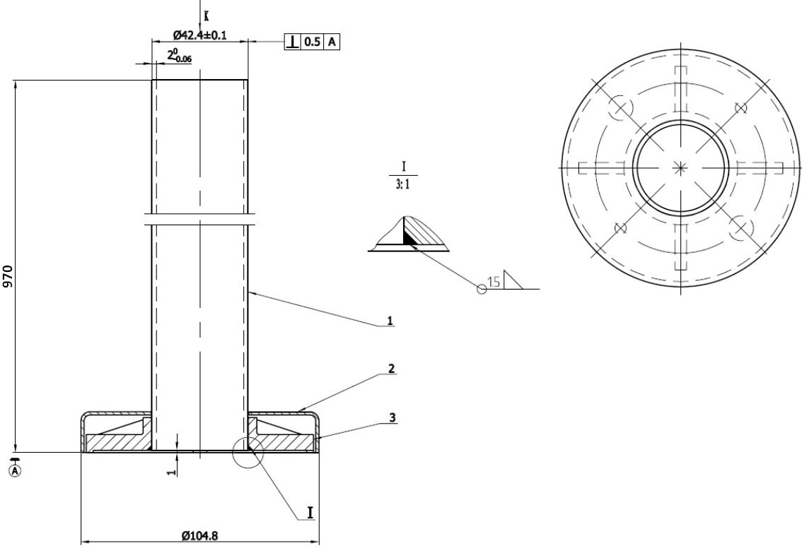
Baluster Post, No Holes, SS316-Brushed, ø42,4x2x970mm

Item number: 22.10.417-9