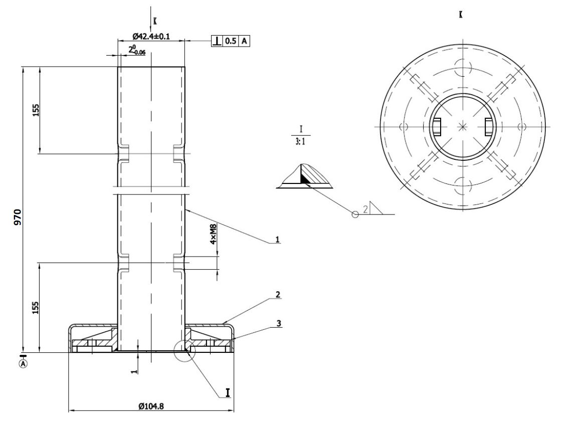
180DG Baluster SS316 Brushed,ø42,4x2x970mm,4 Holes Two Side

Item number: 22.10.413-9